Insight Horizon
arts /

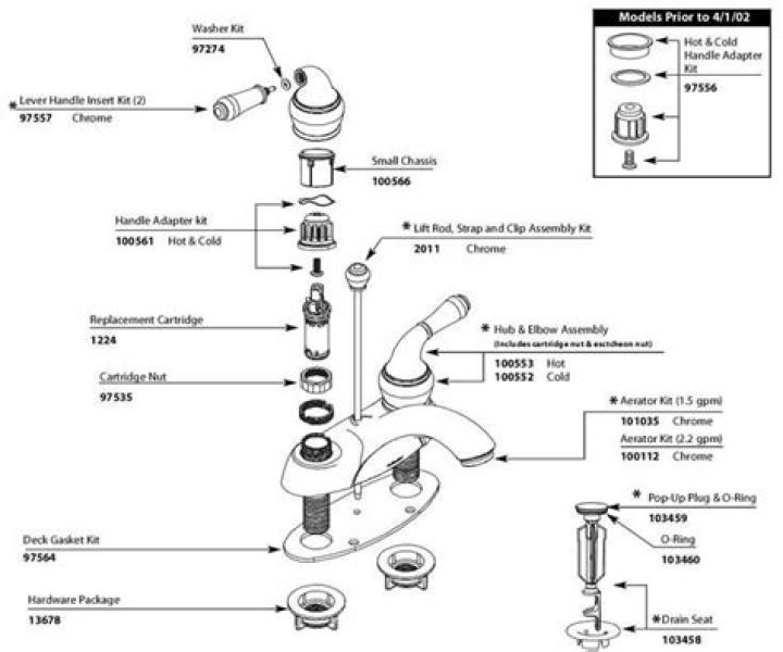
How does a single handle faucet handle work?

How does a single handle faucet handle work?

In a single-handle faucet, the handle causes the internal cartridge to rise or lower within the faucet body to start and stop the flow of water. Both hot and cold water flow into the same cartridge, and a turn of the handle controls the mixture and temperature.

What to do if your bathroom handle is hard to turn?

Try soaking your handle in a 50/50 solution of white vinegar and water for 30-60 minutes to see if this helps clear the build-up. If your handle moved freely when separated from the cartridge, or if you soaked it, reinstalled and it is still difficult to turn, you may need a new cartridge. We’re here to help.

What’s the best way to remove a kitchen handle?

There are two ways to remove your handle, depending on how it was manufactured. If you feel a hole behind the handle at the base, you have a set-screw design. Use a 3/32” allen wrench to loosen the set screw and remove the handle.

How does a person handle a heavy workload?

Why It Works: This answer uses the STAR response technique to describe a past S ituation, outline the T asks and A ctions involved, and conclude with the positive R esults of her actions. She proves that she knows how to proactively use her teamwork, communications, and project planning competencies to handle increased workloads.

What do you do with an adjustable handle?

Also known as clamping handles, use these standard adjustable handles for applications involving frequent positioning, tightening, and holding adjustments. Lift the handle to rotate freely; then release the handle to engage and tighten.

What’s the difference between a single handle and double handle faucet?

A single-handle faucet has one handle for controlling both the water pressure and temperature, in contrast to double-handle taps, which feature separate controls for hot and cold water. Each faucet representation has its own repair requirements. Single-handle types include pull-out or pull-down faucets as well as traditional stationary faucets.

What happens if I tighten the handle on my kitchen faucet?

If you make it too tight, the faucet handle can become challenging to operate. Open the water supply valves to verify that no leakages exist and that the faucet is properly functioning. If the faucet handle stops shaking after the repairs, and everything else works smoothly, you can resume using your faucet.

What can a finger handle be used for?

Also known as finger handles, these are less than 1″ long. Use them as tiny grips on small hand wheels and cranks to operate machinery. An easy -to-grip ball knob makes these handles a good replacement for gear levers. Use them to operate machinery.