Insight Horizon
business /

Why does my riding mower cut unevenly?

Why does my riding mower cut unevenly?

If your riding lawn mower is cutting the grass unevenly, start by checking the pattern of the cut. Blade vibration also causes an uneven cut. To eliminate vibration, replace unbalanced blades and worn mandrels. Replace a worn blade belt because a worn belt won’t spin the blades correctly.

How do you adjust the deck on a Poulan Pro riding mower?

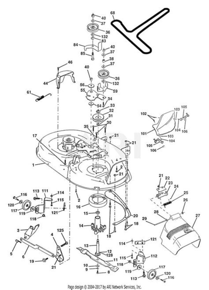
Raise the mower deck to its highest position. Measure for side-to-side adjustment by measuring at the midpoint of both sides of the mower from the bottom. The measurements should be within 1/4 inch of one another. To adjust the deck, tighten the lift-link adjustment nut on the side that needs to be raised.

Why is my mower deck lower on one side?

If the deck on your lawn tractor is lower on one side than the other, the result is an uneven cut. Leveling your tractor’s deck periodically smooths out your lawn. It only takes a few minutes and just a couple of common tools to level your lawn tractor deck.

Why does my Poulan lawn mower cut uneven grass?

Level the mower deck if the Poulan Pro cuts grass unevenly. A damaged or dull cutting blade, or low tire pressure, can also be the culprit for an uneven cut. Replace or sharpen the cutting blade at least once per season.

What’s the part number for a Poulan riding mower?

Poulan Pro PP19A42 Part number: 960460077 Equipped with a 42″ reinforced steel cutting deck, powerful Briggs & Stratton® 19 HP engine with pedal-operated automatic transmission doesn’t require stopping to change speed or direction (just push the pedal and go), the Poulan Pro PP19A42 riding mower is a powerful performer.

How do you adjust the deck on a Poulan riding lawn mower?

On the right side of the tractor, check the adjustment by measuring the distance directly in front and behind the mandrel at the bottom edge of the deck. If the measurements are uneven, adjust one link to equal the same distance of the other link. To lower the front deck, loosen the “E” nut on both front links an equal number of turns.

How often should I sharpen my Poulan lawn mower blade?

Sharpen a dull blade with a metal file. Tighten the blade bolt to a torque of 30 to 35 feet per pound with a torque wrench. Level the mower deck if the Poulan Pro cuts grass unevenly. A damaged or dull cutting blade, or low tire pressure, can also be the culprit for an uneven cut. Replace or sharpen the cutting blade at least once per season.

Poulan Pro PP19A42 Part number: 960460077 Equipped with a 42″ reinforced steel cutting deck, powerful Briggs & Stratton® 19 HP engine with pedal-operated automatic transmission doesn’t require stopping to change speed or direction (just push the pedal and go), the Poulan Pro PP19A42 riding mower is a powerful performer.

How can I lower the deck on my Poulan riding mower?

To lower one side of the deck, loosen the lift-link adjustment nut on the corresponding side. Position the tractor on a flat, solid surface to adjust for a front-to-back adjustment. The deck must be level before beginning. Adjust the deck 1/8 inch to 1/2 inch lower in the rear when the mower is positioned in its highest position.

What’s the speed of a Poulan riding mower?

Capable of speeds up to 5.1 MPH, it’s ideal for yards with flat, hilly, or uneven terrain, and with a spring-assisted deck lift with six cutting height positions, it’s easy to choose your favorite grass height or adjust to the best height for the current condition of your lawn.

What kind of steel is in a Poulan riding mower?

The 13-gauge reinforced steel deck and cast iron front axle provide exceptional durability, excellent stability, and long life.