Insight Horizon
lifestyle /

Which is the best Rheem Lazer boiling water unit?

Which is the best Rheem Lazer boiling water unit?

Easy to clean white power coat finish. Rheem Lazer eco 70303w 3 litre instant boiling water units are designed to provide the best solution to your needs, whether it’s in the boardroom, office or commercial kitchen. A cost effective boiling water unit, with an Eco mode button for one touch sleep function and reduced energy consumption.

What kind of heat transfer system does Rheem use?

Rheem has extended its mains pressure hot water storage range to include cylinders with an indirect stainless steel coil heat transfer system. Designed and engineered in New Zealand. Proven and trusted Vitreous Enamel technology suits a wider range of water conditions. LPVE is ideal for many areas where copper or stainless steel is unsuitable.

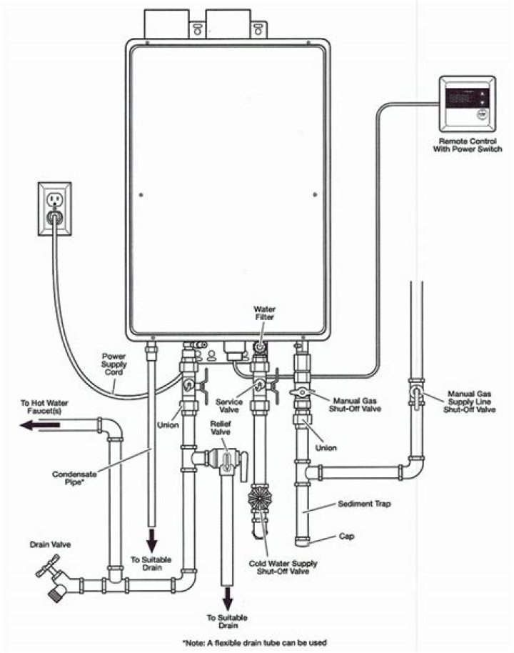
What do you need to know about Rheem hot water?

Rheem offer a trained and qualified national service network who will repair or replace components at the address of the water heater subject to the terms of the Rheem warranty. Rheem Service, in addition can provide service work beyond the product warranty as well as preventative maintenance and advice on the operation of your water heater.

How can I lower water level on my Rheem water heater?

Either run hot water at a tap for a few minutes or through a hose attached to the drain near the bottom of the tank. This should lower the water level to below the valve location. Flip open the relief valve to take any remaining pressure off the tank. Using a wrench, loosen the old valve by turning left/counter-clockwise.

Where does the Rheem Lazer eco boiling water come from?

Available in powder coat white with three capacities ranging from 3L to 7.5L the Rheem Lazer Eco is a cost effective boiling water appliance designed for a range of installations such as the workplace or sports club. Proudly manufactured in New Zealand.

What kind of water heater does Rheem use?

George replaced his old storage water heater with a Rheem Gas Continuous Flow unit, so his hot water never runs out. Mei prepared for the needs of her growing family by installing a Rheem Gas Storage water heater. Doris replaced her old Rheem Electric Storage with the same model, and switched to an off-peak tariff, so she saves more on every bill.

How can I Reset my Rheem water heater password?

For security purposes, we ask that you do a one-time password reset. Rheem offers an exceptional line of indoor air quality products. FOR A WATER HEATER PART? Search by serial number to find the correct part. for your Rheem water heater. REGISTERED? For security purposes, we ask that you do a one-time password reset.

What does the ECO button on Lazer Eco do?

A cost effective boiling water unit, with an “Eco mode” button for one touch sleep function and reduced energy consumption. Easy to clean white powder coat finish.